So if we lookup C0140, it takes us to LAN(diag)-14…
Obviously you’ll need SSM to do that and currently there’s no connection via obdii.
But in acrobat search, if you keep going through the LAN diag results, you’ll see the SAS, TCM etc.
By following the trail of breadcrumbs in this way we can see in the results if the module is HC or LC.
So now I’m repeating the search but with Er HC, see if that has results…
So I wanted to ask, was your car previously manual swapped?
Edit: no, originally manual (vin check), potentially an auto engine harness was temporarily installed before reverting to the original.
Ok so page IDI-10 has the odometer error code remarks diagram.
Er HC limits the fault to the high speed canbus, not a module, eg integrated unit, EGI, TCM, ABSCM/HU, Vehicle speed pulse, or Wheel speed data…
Keep going through all the results and list the hits:
B0103
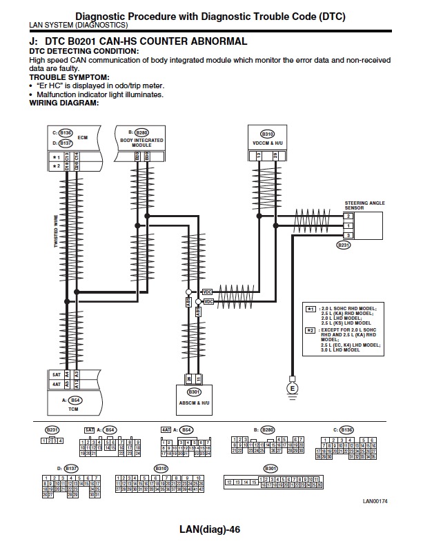
B0201 can-HS counter abnormal, the first result with a canbus circuit diagram, looks like it’s the map of the entire high speed network.
Intriguingly, it’s the SAS pin three that’s the only ground in this diagram: LAN(diag)-46
So after searching, it seems your car has no SAS.
I'm going to go back to the explainers at the start of the wiring diagrams section, I want to know what black and white dots at circuit junctions means, as this will inform any further canbus circuit tests, eg location of termination nodes.
So it looks like VDCCM & H/U & STEERING ANGLE SENSOR are optional or not available for your car, being originally and still a manual.
Does this mean your swapping out the steering roll connector is irrelevant?
In the Partsouq diagrams of the roll connector, there's two parts listed via your vin search: without v/cont and with v/cont, yet the same roll connectors are listed. Either way I'd be checking that ground if any or relevant: since you were in there/replaced the roll connector, it can't hurt.
Regardless, what follows LAN(diag)-46 is a 19 step (count em!) canbus diagnostic that appears to involve blind testing by pulling modules and measuring resistance.

- Screen Shot 2023-09-06 at 10.44.55.jpg (126.48 KiB) Viewed 50264 times