No worries at all, I'll try to answer as best I can!
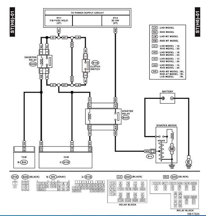
My car starts without the clutch in, I think only the USA model had to have the clutch in? My FSM showed LHD and RHD wiring configurations.
This is the back-up light relay, it was tucked up above the clutch pedal area.

- backup light relay.JPG (236.71 KiB) Viewed 13093 times